Integrated Circuits and Systems group, IIT Madras

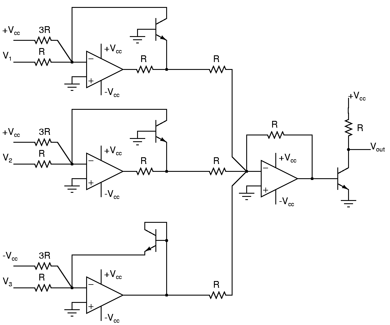
Multiplier

Carry out all analyses before coming to the lab

  • Use Vcc=9V
  • Determine the output Vout in terms of the inputs V1, V2, V3
  • Build the circuit and verify the functionality. Make sure that V1, V2, V3 are always connected to inputs in their respective valid ranges
  • Try out the following
    1. V3=0V, V1=1Vcos(wt), vary V2 and observe the output on the scope. What is a possible application of this arrangement?
    2. V2=0V, V1=1Vcos(wt), vary V3 and observe the output on the scope.
    3. V3=0V, V1=V2=2Vp(wt), where p(wt) is a triangular wave. Observe the output on the scope.